Drilling Rig Standpipe . Mud) goes from the mud pits to main rig pumps (i.e.   the transmitter consists of a valve that, when opened, allows a small volume of mud to escape from the drill string into the annulus. Customizable for optimal performance, up to 7,500 psi.   drilling fluid (i.e. Mud pump), and then major components including surface piping, standpipe, kelly hose, swivel, kelly, drill pipe, drill collar, bit nozzles, the various annular geometries (annulus means space between drill pipe and hole) of the open hole and casing strings, flow line, mud.  the mud standpipe manifold is installed downstream of the mud pumps with the purpose of diverting the flow of drilling.  a rig standpipe is a solid metal pipe attached to the side of a drilling rig's derrick that is a part of its drilling mud system.
        
        from enterpriseoffshore.com 
     
        
         the mud standpipe manifold is installed downstream of the mud pumps with the purpose of diverting the flow of drilling.   the transmitter consists of a valve that, when opened, allows a small volume of mud to escape from the drill string into the annulus. Mud pump), and then major components including surface piping, standpipe, kelly hose, swivel, kelly, drill pipe, drill collar, bit nozzles, the various annular geometries (annulus means space between drill pipe and hole) of the open hole and casing strings, flow line, mud.   drilling fluid (i.e.  a rig standpipe is a solid metal pipe attached to the side of a drilling rig's derrick that is a part of its drilling mud system. Customizable for optimal performance, up to 7,500 psi. Mud) goes from the mud pits to main rig pumps (i.e.
    
    	
            
	
		 
         
    Rig Floor E264Rig0546 • Enterprise Offshore Drilling 
    Drilling Rig Standpipe    the transmitter consists of a valve that, when opened, allows a small volume of mud to escape from the drill string into the annulus. Mud) goes from the mud pits to main rig pumps (i.e.   the transmitter consists of a valve that, when opened, allows a small volume of mud to escape from the drill string into the annulus. Customizable for optimal performance, up to 7,500 psi.   drilling fluid (i.e. Mud pump), and then major components including surface piping, standpipe, kelly hose, swivel, kelly, drill pipe, drill collar, bit nozzles, the various annular geometries (annulus means space between drill pipe and hole) of the open hole and casing strings, flow line, mud.  a rig standpipe is a solid metal pipe attached to the side of a drilling rig's derrick that is a part of its drilling mud system.  the mud standpipe manifold is installed downstream of the mud pumps with the purpose of diverting the flow of drilling.
            
	
		 
         
 
    
        From www.drillingmanual.com 
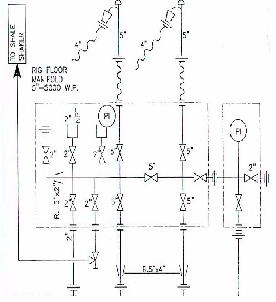
                    Standpipe Manifold In Oil & Gas Rigs DRILLING MANUAL Drilling Rig Standpipe    drilling fluid (i.e. Customizable for optimal performance, up to 7,500 psi. Mud pump), and then major components including surface piping, standpipe, kelly hose, swivel, kelly, drill pipe, drill collar, bit nozzles, the various annular geometries (annulus means space between drill pipe and hole) of the open hole and casing strings, flow line, mud. Mud) goes from the mud pits. Drilling Rig Standpipe.
     
    
        From circuitdiagramkipp.z21.web.core.windows.net 
                    Step By Step Oil Drilling Process Diagram Drilling Rig Standpipe  Mud pump), and then major components including surface piping, standpipe, kelly hose, swivel, kelly, drill pipe, drill collar, bit nozzles, the various annular geometries (annulus means space between drill pipe and hole) of the open hole and casing strings, flow line, mud.   drilling fluid (i.e.   the transmitter consists of a valve that, when opened, allows a small volume. Drilling Rig Standpipe.
     
    
        From www.invt.com 
                    INVT GD3000 Series Drive Applied to Oil Drilling Rig Drilling Rig Standpipe    drilling fluid (i.e.  the mud standpipe manifold is installed downstream of the mud pumps with the purpose of diverting the flow of drilling. Mud) goes from the mud pits to main rig pumps (i.e. Customizable for optimal performance, up to 7,500 psi.  a rig standpipe is a solid metal pipe attached to the side of a drilling. Drilling Rig Standpipe.
     
    
        From www.eiffeltrading.com 
                    Cardwell L350 Complete Drilling Rig Eiffel Trading Drilling Rig Standpipe   a rig standpipe is a solid metal pipe attached to the side of a drilling rig's derrick that is a part of its drilling mud system. Customizable for optimal performance, up to 7,500 psi.   the transmitter consists of a valve that, when opened, allows a small volume of mud to escape from the drill string into the annulus.. Drilling Rig Standpipe.
     
    
        From qingnengpower.en.made-in-china.com 
                    Rig OF ZJ50/3150D(DB) China Drilling Equipment and Drilling Rig Drilling Rig Standpipe  Mud) goes from the mud pits to main rig pumps (i.e.   the transmitter consists of a valve that, when opened, allows a small volume of mud to escape from the drill string into the annulus.   drilling fluid (i.e.  a rig standpipe is a solid metal pipe attached to the side of a drilling rig's derrick that is. Drilling Rig Standpipe.
     
    
        From www.saami.com 
                    Drilling Company For Sale, Cooper Oil Rig Equipment For Sale, Auction Drilling Rig Standpipe    drilling fluid (i.e. Mud) goes from the mud pits to main rig pumps (i.e.  the mud standpipe manifold is installed downstream of the mud pumps with the purpose of diverting the flow of drilling. Mud pump), and then major components including surface piping, standpipe, kelly hose, swivel, kelly, drill pipe, drill collar, bit nozzles, the various annular geometries. Drilling Rig Standpipe.
     
    
        From stock.adobe.com 
                    Standpipe manifold on an offshore drilling rig vídeo de Stock Adobe Stock Drilling Rig Standpipe   a rig standpipe is a solid metal pipe attached to the side of a drilling rig's derrick that is a part of its drilling mud system.   the transmitter consists of a valve that, when opened, allows a small volume of mud to escape from the drill string into the annulus. Customizable for optimal performance, up to 7,500 psi.. Drilling Rig Standpipe.
     
    
        From www.texasmornings.com 
                    Jackknife Drilling Rig My Texas Mornings Drilling Rig Standpipe  Mud) goes from the mud pits to main rig pumps (i.e. Customizable for optimal performance, up to 7,500 psi.  a rig standpipe is a solid metal pipe attached to the side of a drilling rig's derrick that is a part of its drilling mud system.  the mud standpipe manifold is installed downstream of the mud pumps with the. Drilling Rig Standpipe.
     
    
        From www.sunmachinery.com 
                    WORKOVER RIGS / DRILLING RIGS Sun Machinery Drilling Rig Standpipe  Mud) goes from the mud pits to main rig pumps (i.e.  the mud standpipe manifold is installed downstream of the mud pumps with the purpose of diverting the flow of drilling.   the transmitter consists of a valve that, when opened, allows a small volume of mud to escape from the drill string into the annulus. Mud pump), and. Drilling Rig Standpipe.
     
    
        From www.sinopulse.cn 
                    Rotary Drilling Hose Sinopulse Drilling Rig Standpipe   a rig standpipe is a solid metal pipe attached to the side of a drilling rig's derrick that is a part of its drilling mud system.  the mud standpipe manifold is installed downstream of the mud pumps with the purpose of diverting the flow of drilling. Mud) goes from the mud pits to main rig pumps (i.e. Customizable. Drilling Rig Standpipe.
     
    
        From dprhou.com 
                    Manifold Assemblies Drilling & Production Resources Drilling Rig Standpipe   a rig standpipe is a solid metal pipe attached to the side of a drilling rig's derrick that is a part of its drilling mud system.   drilling fluid (i.e. Customizable for optimal performance, up to 7,500 psi.   the transmitter consists of a valve that, when opened, allows a small volume of mud to escape from the drill. Drilling Rig Standpipe.
     
    
        From www.drillingmanual.com 
                    Standpipe Manifold In Oil & Gas Rigs DRILLING MANUAL Drilling Rig Standpipe  Mud) goes from the mud pits to main rig pumps (i.e.  a rig standpipe is a solid metal pipe attached to the side of a drilling rig's derrick that is a part of its drilling mud system.   drilling fluid (i.e.  the mud standpipe manifold is installed downstream of the mud pumps with the purpose of diverting the. Drilling Rig Standpipe.
     
    
        From www.oilmanchina.com 
                    Drilling Rig Choke Manifold API 16C Mud Standpipe Manifold For Oil Well Drilling Rig Standpipe   a rig standpipe is a solid metal pipe attached to the side of a drilling rig's derrick that is a part of its drilling mud system.   drilling fluid (i.e.   the transmitter consists of a valve that, when opened, allows a small volume of mud to escape from the drill string into the annulus.  the mud standpipe. Drilling Rig Standpipe.
     
    
        From www.drillingmanual.com 
                    Standpipe Manifold In Oil & Gas Rigs DRILLING MANUAL Drilling Rig Standpipe  Customizable for optimal performance, up to 7,500 psi.  a rig standpipe is a solid metal pipe attached to the side of a drilling rig's derrick that is a part of its drilling mud system.  the mud standpipe manifold is installed downstream of the mud pumps with the purpose of diverting the flow of drilling.   drilling fluid (i.e.. Drilling Rig Standpipe.
     
    
        From rigbook.blogspot.com 
                    RIGBOOK SUBSTRUCTURE Drilling Rig Standpipe   a rig standpipe is a solid metal pipe attached to the side of a drilling rig's derrick that is a part of its drilling mud system.   the transmitter consists of a valve that, when opened, allows a small volume of mud to escape from the drill string into the annulus.  the mud standpipe manifold is installed downstream. Drilling Rig Standpipe.
     
    
        From www.drillingmanual.com 
                    Standpipe Manifold In Oil & Gas Rigs DRILLING MANUAL Drilling Rig Standpipe   the mud standpipe manifold is installed downstream of the mud pumps with the purpose of diverting the flow of drilling.   the transmitter consists of a valve that, when opened, allows a small volume of mud to escape from the drill string into the annulus.   drilling fluid (i.e. Mud pump), and then major components including surface piping, standpipe,. Drilling Rig Standpipe.
     
    
        From www.drillingmanual.com 
                    Standpipe Manifold In Oil & Gas Rigs DRILLING MANUAL Drilling Rig Standpipe  Mud pump), and then major components including surface piping, standpipe, kelly hose, swivel, kelly, drill pipe, drill collar, bit nozzles, the various annular geometries (annulus means space between drill pipe and hole) of the open hole and casing strings, flow line, mud. Mud) goes from the mud pits to main rig pumps (i.e. Customizable for optimal performance, up to 7,500. Drilling Rig Standpipe.
     
    
        From www.drillingmanual.com 
                    Standpipe Manifold In Oil & Gas Rigs DRILLING MANUAL Drilling Rig Standpipe    the transmitter consists of a valve that, when opened, allows a small volume of mud to escape from the drill string into the annulus. Mud pump), and then major components including surface piping, standpipe, kelly hose, swivel, kelly, drill pipe, drill collar, bit nozzles, the various annular geometries (annulus means space between drill pipe and hole) of the open. Drilling Rig Standpipe.